DUOBAO多宝

产品资讯

余热锅炉,燃油燃气锅炉,生物质锅炉,燃煤锅炉,链条炉排锅炉,循环流化床锅炉等锅炉资讯

DUOBAO多宝股份烧结机余热锅炉工艺流程和特点

  2021-08-02        

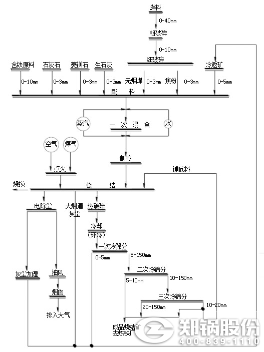
1、工艺流程

烧结厂工艺流程是从原料进厂到成品输出,包括铁料、熔剂、燃料的接受、 燃料破碎、配料、混合、制粒、烧结、冷却、整粒及成品烧结矿输出等全部工艺过程。。。。。工艺流程见图1。。。。。

工艺流程.jpg

工艺流程图1

2 工艺特点

主要工艺特点如下:

(1) 采用Φ750³700对辊破碎机及Φ900³700四辊破碎机组成的开路破碎系统:保证四辊破碎机的给料粒度适宜,,,,, , ,,且能沿辊面宽度均匀给料,,,,, , ,,从而可以获得3~0mm粒级含量达到90~95%的燃料,,,,, , ,,满足烧结生产所需;同时,,,,, , ,,也适应使用来料粒度较粗的燃料。。。。。

(2) 采用自动重量配料:各种原料均自行组成闭环定量调节,,,,, , ,, 再通过总设定系统与逻辑控制系统,,,,, , ,,组成自动重量配料系统。。。。。其特点是设备运行平稳、可靠,,,,, , ,,配料精度高,,,,, , ,,使烧结矿合格率、一级品率均有较大幅度提高,,,,, , ,,同时可减少烧结燃料耗量,,,,, , ,,降低高炉焦比。。。。。

(3) 采用厚料层烧结,,,,, , ,,将降低燃耗及烧结矿中的FeO含量,,,,, , ,,提高烧结矿强度。。。。。

(4) 采用串联3台椭圆振动筛整粒筛分流程。。。。。该流程的特点是:

a) 流程简单,,,,, , ,,布置紧凑,,,,, , ,,在一个厂房内即可完成全部冷矿筛分作业,,,,, , ,,占地少,,,,, , ,,省投资,,,,, , ,,省人员;

b) 烧结矿转运次数减少,,,,, , ,,冷返矿量降低;

c) 检修方便;

d) 更重要的是5mm筛孔筛板因受大块烧结矿冲击,,,,, , ,,基本不堵塞。。。。。

(5) 采用双层卸灰阀——胶带机处理大烟道灰尘,,,,, , ,,适应冬季寒冷地区生产。。。。。

(6) 小格散料作为成品,,,,, , ,,参加整粒,,,,, , ,,提高了烧结矿成品率。。。。。

DUOBAO多宝烧结冷却机余热锅炉是适用于钢铁行业烧结冷却机余热烟气的立式余热锅炉,,,,, , ,,成功解决了困扰余热锅炉的积灰、磨损、漏风等问题,,,,, , ,,能够降低烧结工序能耗,,,,, , ,,促进能源节约,,,,, , ,,降低产品单位价格。。。。。

相关产品

水泥窑余热发电锅炉
水泥窑余热发电锅炉 (水泥窑纯低温窑尾余热发电锅炉) 了解详情 咨询报价
危废焚烧余热锅炉
危废焚烧余热锅炉 (危险废弃物垃圾焚烧余热发电锅炉) 了解详情 咨询报价
焦化余热回收利用锅炉
焦化余热回收利用锅炉 (炼焦厂烟气余热发电锅炉) 了解详情 咨询报价
钢铁冶炼余热发电锅炉
钢铁冶炼余热发电锅炉 (钢铁冶炼余热发电锅炉) 了解详情 咨询报价
郑 锅 股 份

始于1945年的DUOBAO多宝股份,,,,, , ,,由郑州锅炉厂改制而来,,,,, , ,,主营产品:烟气余热锅炉燃油燃气锅炉生物质锅炉燃煤锅炉,,,,, , ,,DUOBAO多宝股份拥有国家A级锅炉制造许可证,,,,, , ,,是中国锅炉行业的先锋,,,,, , ,,也是迄今为止历史悠久的传统装备制造企业之一。。。。。

DUOBAO多宝股份服务热线

400 - 839 - 1110

联系邮箱

sales@zgboilers.com
快速获得技术支持和详细报价

欢迎填写以下表格,,,,, , ,,完善您的产品需求、联系方式、设备使用地等信息,,,,, , ,,我们将快速反馈您的购买咨询。。。。。您还可以通过在线咨询,,,,, , ,,电子邮箱和电话与我们联系,,,,, , ,,DUOBAO多宝客户服务团队将进一步为您提供优质服务。。。。。

姓名:
电话:
产品:
详情:
咨询热线
在线客服
【网站地图】【sitemap】